2000 Jeep Grand Cherokee Wiring Diagram 4 - Jeep Grand Cherokee Wj Stereo System Wiring Diagrams : Does anyone know where i can find a detailed diagram for chassis wiring of a 1990 cherokee xj?. Jeep grand cherokee wj electrical wiring diagram. A label is stamped on the fuse panel cover to identify each fuse for ease of replacement. The auto shut down (asd) relay gets power from fuse #6 (15 amp) and fuse #2 (20 amp) of the power distribution center. This auto shut down (asd) relay circuit wiring diagram applies to the following vehicles: Jeep u2013 page 3 u2013 circuit wiring diagrams.

This auto shut down (asd) relay circuit wiring diagram applies to the following vehicles: I'm having trouble finding a detailed diagram for the 90 cherokees, any help is greatly appreciated! 1997 jeep cherokee system wiring diagrams. Jeep grand cherokee wj electrical wiring diagram. Jeep cherokee 1990 jeep cherokee laredo 1990 jeep cherokee limited 1990 jeep cherokee pioneer 1990 jeep cherokee sport 1990 jeep comanche 1990 jeep comanche eliminator 1990 jeep comanche pioneer 1990 jeep grand wagoneer 1990.

1999 Jeep Cherokee O2 Wiring Wiring Diagram Bound Grand Bound Grand Bibidi Bobidi Bu It
1999 Jeep Cherokee O2 Wiring Wiring Diagram Bound Grand Bound Grand Bibidi Bobidi Bu It from www.cherokeeforum.com
01 cherokee o2 sensor/engine wiring actually, we have been remarked that 2000 jeep grand cherokee engine diagram is being one of the most popular issue right now. Related manuals for jeep cherokee 2000. Fuse box diagrams (location and assignment of electrical fuses and relays) jeep grand cherokee (wj; Clean corroded connections as required. This video will show you how to access the complete jeep grand cherokee wiring diagrams and details of the wiring harness. Jeep cherokee 1990 jeep cherokee laredo 1990 jeep cherokee limited 1990 jeep cherokee pioneer 1990 jeep cherokee sport 1990 jeep comanche 1990 jeep comanche eliminator 1990 jeep comanche pioneer 1990 jeep grand wagoneer 1990. Like i said not much of electrical guy but ive used my phone and done everything i can if someone could please share full electrical diagram that has anything to do with the cluster thatd be great btw jeep runs and drives just fine. Looking for a free jeep cherokee haynes / jeep cherokee chilton manuals?

I have a 1991 jeep cherokee laredo 4x4 with a 4.

1993, 1994, 1995 4.0l jeep grand cherokee. 2001 pt cruiser diagram data wiring update solved my 2000 jeep cherokee sport serpentine belt slips fixyab6030ad png full size of 2001 jeep cherokee sport fuse box 01 grand diagram panel enthusiasts wiring diagrams resistor wiring harness 2004 jeep cherokee diagram database wg a c. 1997 jeep cherokee system wiring diagrams. Especially popular in the jeep range are the cherokee, grand cherokee, wrangler and compass models. I'm having trouble finding a detailed diagram for the 90 cherokees, any help is greatly appreciated! The auto shut down (asd) relay gets power from fuse #6 (15 amp) and fuse #2 (20 amp) of the power distribution center. 1994 jeep cherokee se 4 0l system wiring diagrams. Fuse box diagrams (location and assignment of electrical fuses and relays) jeep grand cherokee (wj; Vehicle wiring details for a 2000 jeep grand cherokee. For the jeep grand cherokee second generation 1999, 2000, 2001, 2002, 2003, 2004 model year. Jeep grand cherokee wj electrical wiring diagram. Jeep cherokee 1990 jeep cherokee laredo 1990 jeep cherokee limited 1990 jeep cherokee pioneer 1990 jeep cherokee sport 1990 jeep comanche 1990 jeep comanche eliminator 1990 jeep comanche pioneer 1990 jeep grand wagoneer 1990. I have a 1991 jeep cherokee laredo 4x4 with a 4.

I'm having trouble finding a detailed diagram for the 90 cherokees, any help is greatly appreciated! 1993, 1994, 1995 4.0l jeep grand cherokee. The auto shut down (asd) relay gets power from fuse #6 (15 amp) and fuse #2 (20 amp) of the power distribution center. This auto shut down (asd) relay circuit wiring diagram applies to the following vehicles: Here you will find fuse box diagrams of.

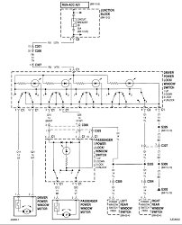
1994 Jeep Grand Cherokee Power Window Wiring Diagram Wiring Diagram Channel Fast Square Fast Square Ladamabiancadiangioni It
1994 Jeep Grand Cherokee Power Window Wiring Diagram Wiring Diagram Channel Fast Square Fast Square Ladamabiancadiangioni It from www.cherokeeforum.com
Wire code identification each wire shown in the diagrams contains a code (fig. Refer to wiring diagrams in the index of this service manual for the location of the proper wiring repair or connector and terminal service. For the jeep grand cherokee second generation 1999, 2000, 2001, 2002, 2003, 2004 model year. A label is stamped on the fuse panel cover to identify each fuse for ease of replacement. Read or download jeep grand cherokee light for free wiring diagrams at shep.mooshak.in. Jeep vehicles that use a gray ignition key have an immobilizer system that needs to be bypassed when remote starting. This video will show you how to access the complete jeep grand cherokee wiring diagrams and details of the wiring harness. Vehicle wiring details for a 2000 jeep grand cherokee.

Especially popular in the jeep range are the cherokee, grand cherokee, wrangler and compass models.

Wire code identification each wire shown in the diagrams contains a code (fig. 1997 jeep cherokee system wiring diagrams. 1994 jeep cherokee se 4 0l system wiring diagrams. For the jeep grand cherokee second generation 1999, 2000, 2001, 2002, 2003, 2004 model year. The auto shut down (asd) relay gets power from fuse #6 (15 amp) and fuse #2 (20 amp) of the power distribution center. Jeep cherokee 1990 jeep cherokee laredo 1990 jeep cherokee limited 1990 jeep cherokee pioneer 1990 jeep cherokee sport 1990 jeep comanche 1990 jeep comanche eliminator 1990 jeep comanche pioneer 1990 jeep grand wagoneer 1990. Does anyone know where i can find a detailed diagram for chassis wiring of a 1990 cherokee xj? A label is stamped on the fuse panel cover to identify each fuse for ease of replacement. 1993, 1994, 1995 4.0l jeep grand cherokee. Clean corroded connections as required. 1999, 2000, 2001, 2002, 2003, 2004, 2005). Like i said not much of electrical guy but ive used my phone and done everything i can if someone could please share full electrical diagram that has anything to do with the cluster thatd be great btw jeep runs and drives just fine. Read or download jeep grand cherokee light for free wiring diagrams at shep.mooshak.in.

Automobile jeep grand cherokee 2013 owner's manual. Especially popular in the jeep range are the cherokee, grand cherokee, wrangler and compass models. Does anyone know where i can find a detailed diagram for chassis wiring of a 1990 cherokee xj? This auto shut down (asd) relay circuit wiring diagram applies to the following vehicles: The fuse panel is on the lower instrument panel just to the left of the steering column.

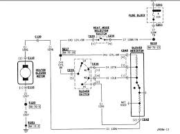
2001 Jeep Grand Cherokee Power Window Diagram Select Wiring Diagram Load Cheap Load Cheap Clabattaglia It
2001 Jeep Grand Cherokee Power Window Diagram Select Wiring Diagram Load Cheap Load Cheap Clabattaglia It from f01.justanswer.com
Wire code identification each wire shown in the diagrams contains a code (fig. Related manuals for jeep cherokee 2000. Especially popular in the jeep range are the cherokee, grand cherokee, wrangler and compass models. For the jeep grand cherokee second generation 1999, 2000, 2001, 2002, 2003, 2004 model year. Jeep u2013 page 3 u2013 circuit wiring diagrams. 1995 jeep cherokee wiring harness diagrams load how to test a fuel injector in under 20 minutes moses ludel s 4wd mechanix jeep fuel pressure 1995 jeep cherokee wiring harness diagrams load 2000 jeep grand cherokee fuel 1998 jeep grand cherokee wiring harness wiring diagram. Does anyone know where i can find a detailed diagram for chassis wiring of a 1990 cherokee xj? Clean corroded connections as required.

1999, 2000, 2001, 2002, 2003, 2004, 2005).

The fuse panel is on the lower instrument panel just to the left of the steering column. Like i said not much of electrical guy but ive used my phone and done everything i can if someone could please share full electrical diagram that has anything to do with the cluster thatd be great btw jeep runs and drives just fine. Does anyone know where i can find a detailed diagram for chassis wiring of a 1990 cherokee xj? 01 cherokee o2 sensor/engine wiring actually, we have been remarked that 2000 jeep grand cherokee engine diagram is being one of the most popular issue right now. Related manuals for jeep cherokee 2000. This video will show you how to access the complete jeep grand cherokee wiring diagrams and details of the wiring harness. 1997 jeep cherokee system wiring diagrams. Automobile jeep grand cherokee 2013 owner's manual. Jeep grand cherokee wj electrical wiring diagram. Especially popular in the jeep range are the cherokee, grand cherokee, wrangler and compass models. Fuse box diagrams (location and assignment of electrical fuses and relays) jeep grand cherokee (wj; Tire/wheel certification label incorrectly printed. 1999, 2000, 2001, 2002, 2003, 2004, 2005).

By